声光控开关电路原理图分析
来源: 时间:2019-05-25 浏览次数:3242
声光控开关必须同时具备两个条件,声光才起作用。从声光控开关的结构上分析,开关面板表面装有光敏二级管,内部装有柱极体话简。而光敏二极管的敏感效应,只有在黑暗时才起到作用(可用液晶万用表测得数值)。也就是说当天色变暗到一定程度,光敏二级管感应后会在电子线路板上产生一个脉冲电流,使光敏二级管一路电路处在关闭状态,这时在楼梯口等处只要有响声出现,柱极体活简就会同样产生脉冲电流,这时声光控制开关电路就连通起作用。
灵敏度:低80DB 高65DB
感应照度:3-5LUX
延时范围:10-40S
工作电原:AC220V 50HZ/110V 60HZ
最大负载:100W
产品规格:φ76x37xH25MM
开关盒采用独立式设计,安装更方便;声音起控点可调方便适应各种环境。

声光控开关电路原理图分析
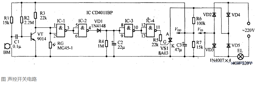
图为实用声控照明灯实验电路。它由驻极体话筒BM、三极管VT等组成话筒传感放大电路,集成电路IC、单向晶闸管VS1等组成控制开关电路,VD2~VD5组成全波桥式整流电路,还有负载照明灯EL和IC工作电源电路。在话筒传感放大电路中,C1电容量取值较小,对击掌脉冲音频信号敏感,输入的负脉冲信号使VT集电极上升到高电位。在控制电路中,IC—1输入端连接有负载电阻器R3与光敏电阻器RG组成的分压电路,当环境光线较暗时,RG呈现出较高电阻值,使输入端第1、2脚电位上升,但达不到门开启电压,只有声控信号使VT集电极呈现高电位,IC-1输入端电平才上升到门开启电压,通过控制开关电路使晶闸管导通,照明灯点亮,延迟一定时间EL自动熄灭。当环境光线较强时,RG呈现出较低电阻值,尽管有声控信号使VT截止,也达不到IC1门开启电压,EL不能被点亮,即白天声控作用被禁止,磙:晚声控才起作用,这就是声控楼道灯的工作原理。R3取值关系到声控灯的可靠性,当R3取值为22kΩ时,声控灵敏度提高(声控距离≥5m),光控灵敏度下降。当R3取值为1MΩ时,光控灵敏度提高,在很弱环境光线下就能开启声控灯。注意R3电阻值大小使负载电流变化,影响其工作电压,可以微调分压电阻器R7,使VDD工作电压不要超过18V。
该电路是目前市面上常用的声光路灯控制器的原理图。
220V市电经过VD1~VD4组成的桥式整流输出脉动电压,经过R1,VD5,C1降压滤波后,由VS提供11V的稳定直流电压,为控制电路提供电源供给。
静态待机状态下:
BM无信号输入,V1处于静止放大状态,因为C3的隔直作用,V2基极无偏置电压而处于截止状态,导致V3的Vbe为0使得V3也处于截止状态,C4上面无电压,VT的控制极没有提供足够的导通电压,VT处于截止状态,EL没有足够的电流,处于熄灭状态。
当外界光照强度足够时:
RG呈现低阻抗状态,即使短路C3,V2的基极也得不到足够的偏置电压而处于截止状态,导致V3的Vbe为0使得V3也处于截止状态,C4上面无电压,VT的控制极没有提供足够的导通电压,VT处于截止状态,EL没有足够的电流,处于熄灭状态。
当外界光照强度较弱且无声音信号时:
RG呈现高阻抗状态,与R7,R8的阻值相比可视作RG为开路状态,但因为C3的隔直作用,V2基极无偏置电压而处于截止状态,导致V3的Vbe为0使得V3也处于截止状态,C4上面无电压,VT的控制极没有提供足够的导通电压,VT处于截止状态,EL没有足够的电流,处于熄灭状态。

声光控开关电路原理图分析
当外界光照强度较弱且有声音信号时:
RG呈现高阻抗状态,与R7,R8的阻值相比可视作RG为开路状态。BM输出的音频信号经过V1放大在其集电极产生了幅度极高的音频信号,通过C3耦合,这个放大后的音频信号正极性部分经过R5,R6,R7,R8分压后为V2提供了足够强的基极偏置,V2进入导通状态致使V3进入饱和导通状态,电源通过V3,VD6向C4充电,由于音频信号的频率不会很高而且声音信号有一定的持续时间,C4在这段时间内可以被充满电至10V左右,此时C4通过R10为可控硅VT提供了足够的导通电压,EL获得足够的电流,处于发光状态。当声音信号消失后,由于VD6被反向偏置,C4上的电荷只能通过R10,VT放电,而C4和R10的放电时间常数比较大,VT会保持持续导通,直到C4上的电压不足以使VT导通时,EL恢复到熄灭状态。
根据上述分析,如果要调整该控制器的声音灵敏度,可以通过调整R4的阻值来实现,当R4的阻值增加,可以降低声音灵敏度,反之则提高声音灵敏度。如果要调整该控制器的光照灵敏度,可以通过调整R8的阻值来实现,当R8的阻值增加,可以提高控制器起作用的光照度,反之则可以降低控制器作用的光照度。R4,R8是独立调整各自的灵敏度而相互影响比较小,如果调整R5和R6的话两个参数的灵敏度都会受到影响而改变。
本电路的EL最大功率限制在于VD1~VD4的最大电流以及VT的最大电流,根据本电路中的器件选择,最大允许电流为1A,所以EL的功率应该限制在220W以下,为留有余量,EL最好是小于等于100W的。